Contact Us
Hebei Nanfeng Automobile Equipment (Group) Co.,Ltd
Phone: +86 18811334770
Tel: +86 0317 8620396
Tel: +86 010 58673556
Candy Jiao
E-mail: nh.jiao@auto-parkingheater.com
Email: nh.li@auto-parkingheater.com
Add: Room 505, Building B, Free Town Center, No.58, East Third Ring South Road, Chaoyang District, Beijing, 100022, P.R.China
New Energy Electronic Water Pump
At the heart of the battery cooling system, a high-efficiency, intelligent new energy electronic water pump silently safeguards the battery's stable operation, becoming an "invisible guardian" of new energy vehicle battery cooling.
Description
If you're looking for the new energy electronic water pump, welcome to wholesale the product from our factory. As one of the leading manufacturers and suppliers in China, we will offer you the best service and fast delivery. Now, check the quotation with our seller.
New energy electronic water pump
For new energy vehicles, the power battery is not only the "power source" but also the core factor determining travel safety and lifespan. The "health code" of the battery lies in the temperature control during every drive and every charge-excessively high or low temperatures accelerate battery degradation, shorten driving range, and even create safety hazards. At the heart of the battery cooling system, a high-efficiency, intelligent new energy electronic water pump silently safeguards the battery's stable operation, becoming an "invisible guardian" of new energy vehicle battery cooling.Electronic water pumps can adjust the flow of circulating coolantaccording to the vehicle working conditions, and realize precisetemperature control of automobile motors/electronic controls/airconditioners/batteries and other components. They are animportant part of new energy vehicles and liquid-cooled energystorage systems.
New energy electronic water pump parameter






| Rated voltage | DC 24V |
| Operating voltage range | 16V~32V |
| Rated power | 350W |
| Rated operating condition | At a head of 12m, maximum flow rate ≥5000L/h, current ≤15.5A |
| Maximum head | ≥13m |
| Storage temperature | -50°C~125℃ |
| Operating ambient temperature | -40°C~100°C |
| Permissible medium | Antifreeze |
| Pump life | ≥20000 hours |
| Protection class | IP68 |
| Mating connector model | AMP1-1418390-1 |
| Noise | ≤60dB measured at a distance of 1 meter |
| Function description | Reverse polarity protection, dry-running protection, locked-rotor protection, overvoltage protection |
New energy electronic water pump Features
- Low energy consumption and high efficiency
- Longer service life, continuous working time of more than 20,000hours
- Flexible control mode (PWM, CAN) provides timely and appropriate cooling capacity
- Multiple working protections (over-temperature, over-voltage, over-current, etc.)
New energy electronic water pump details

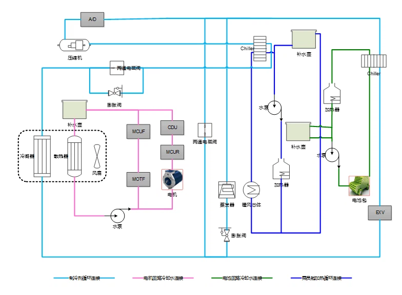
The thermal management system of new energy vehicles mainly consists of a motor and electronic control cooling system, a battery cooling system, and an air conditioning system. The motor and electronic control cooling subsystem of new energy vehicles primarily employs liquid cooling. The liquid cooling system comprises a radiator, cooling fan, expansion tank, coolant pump, coolant hoses, and coolant temperature sensor. The liquid cooling system relies on a cooling water pump to circulate coolant through cooling pipes. Through physical processes such as heat exchange in the radiator, the coolant removes the heat generated by the motor and controller.

This new energy electronic water pump is designed with battery cooling as its core scenario, deeply adapting to the battery cooling needs of various new energy vehicle models. It covers multiple voltage specifications, including 12V and 24V, and can flexibly adapt to different sizes and types of power battery packs, whether square, cylindrical, or pouch batteries, achieving precise temperature control and efficient cooling. It's not only the "power core" of the battery cooling system but also the "lifespan guardian" of the power battery. With its intelligent temperature control, high efficiency, energy saving, and stable reliability, it solves core pain points in new energy vehicle batteries such as overheating, battery degradation, and safety hazards.
Why choose us?

Hebei Nanfeng Automobile Equipment (Group) Co., Ltd was established in 1993, which is a group company with 6 factories. We are one of the main suppliers of new energy vehicle components in China Our main products are high voltage coolant heater, electronic water pump, BTMS, electric air compressor, EPS, EHPS, electric air conditioning compressor, three way valve, parking heater, parking air conditioner, plate heat exchanger, etc. Our factory's production units are equipped with high tech machineries, strict quality control testing devices and a team of professional technicians and engineers endorsing the quality and authenticity of our products.
In 2006, our company has passed ISO/TS16949:2002 quality management system certification. We also bagged the CE certificate and Emark certificate making us amongst the only few companies in the world acquiring such high level certifications. Currently being the largest stakeholders in China, we hold a domestic market share of 40% and then we export them around the globe particularly in Asia, Europe and Americas.
one-stop solution
professional team
high quality


User Evaluation

Bus manufacturer
Bus Design Engineer

BTMS designer
Executive Chairman

Truck manufacturer
Design Engineer
Companies We Have as Clients
We are looking for a cooperative partner to expand our business.








Hot Tags: new energy electronic water pump, China, factory, suppliers, manufacturers, seller, wholesale, quotation
You Might Also Like


















